С мешалками емкость t 200 л синяя с лопастной мешалкой
Емкости с лопастными мешалками используются для приготовления и поддержания консистенции различных растворов, создания маловязких эмульсий, растворения или химических реакции в жидкой среде.
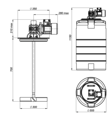
Мешалки предназначены для перемешивания жидкости с максимальной плотностью 1,3 г/см, динамической вязкостью жидкой фазы ‐ 0,05 Ра/сек. Данный тип мешалок тихоходный.
Материал изготовления вала и рабочего колеса - композит (полиэфирная или эпоксидная смола, армированная стекловолокном), что обеспечивает повышенную стойкость к абразиву. Мешалки из композитного материала обладают отличной механической прочностью, устойчивы к химически агрессивными жидкостям (смотрите таблицу химической стойкости).
Гораздо надёжнее и энергоэффективнее металлических аналогов.
Мешалка специально подобрана для емкости Т 200 с учетом габаритов и конструктивных особенностей емкости. Емкость Т 200 литров в обрешетке поставляется с уже установленной на специальную крышку мешалкой. Вам не нужно ломать голову над установкой мешалки. Мы обо всем позаботились!
| Мощность двигателя, кВт | Частота вращения вала, об/мин | Длина вала, мм | Диаметр рабочего колеса, мм | Вес, кг |
|---|---|---|---|---|
| 0,25 | 93 | 700 | 300 | 12 |
Технические преимущества тихоходных лопастных мешалок:
- Высокая прочность: Отсутствие сварных швов и футеровки благодаря цельнолитой конструкции из композита.
- Малый вес по сравнению с металлическими аналогами.
- Продолжительный срок службы: Смолы (материал изготовления рабочего колеса и вала) после отверждения, в отличии от термопластичных материалов таких как полипропилен и фторопласт, не подвержены повторному расплавлению, что является гарантией отличной механической прочности, термо- и формоустойчивости.
Подробную техническую и графическую информацию см. в паспорте на данную емкость.
Особенности установки
Лопастные мешалки необходимо устанавливать по центру емкости для обеспечения равномерного перемешивания раствора. Мешалки весом до 25 кг устанавливаются непосредственно на саму емкость с применением суппорта, либо на крышку емкости (если горловина расположена по центру).
Для лопастных мешалок возможны дополнительные опции:
- Установка частотного преобразователя - для регулировки скорости перемешивания;
- Установка более мощного двигателя - при плотности жидкости более 1,3 г/м3 и/или вязкости жидкой фазы более 0,05 Ра/сек.
Характеристики
|
Страна
|
Россия |
|
Объем, л
|
200 |
|
Цвет
|
Синий |
|
Форма ёмкости
|
Цилиндрическая |
|
Расположение
|
Вертикальное |
|
Защитная мембрана
|
нет |
|
Тип эксплуатации
|
Наземная эксплуатация, С мешалкой |
|
Размеры, мм
|
555х555х970 |
|
Ширина, мм
|
555 |
|
Высота, мм
|
970 |
|
Длина, мм
|
555 |
|
Вес, кг
|
20 |
|
Диаметр горловины
|
290 |
Описание
Емкости с лопастными мешалками используются для приготовления и поддержания консистенции различных растворов, создания маловязких эмульсий, растворения или химических реакции в жидкой среде.
Мешалки предназначены для перемешивания жидкости с максимальной плотностью 1,3 г/см, динамической вязкостью жидкой фазы ‐ 0,05 Ра/сек. Данный тип мешалок тихоходный.
Материал изготовления вала и рабочего колеса - композит (полиэфирная или эпоксидная смола, армированная стекловолокном), что обеспечивает повышенную стойкость к абразиву. Мешалки из композитного материала обладают отличной механической прочностью, устойчивы к химически агрессивными жидкостям (смотрите таблицу химической стойкости).
Гораздо надёжнее и энергоэффективнее металлических аналогов.
Мешалка специально подобрана для емкости Т 200 с учетом габаритов и конструктивных особенностей емкости. Емкость Т 200 литров в обрешетке поставляется с уже установленной на специальную крышку мешалкой. Вам не нужно ломать голову над установкой мешалки. Мы обо всем позаботились!
| Мощность двигателя, кВт | Частота вращения вала, об/мин | Длина вала, мм | Диаметр рабочего колеса, мм | Вес, кг |
|---|---|---|---|---|
| 0,25 | 93 | 700 | 300 | 12 |
Технические преимущества тихоходных лопастных мешалок:
- Высокая прочность: Отсутствие сварных швов и футеровки благодаря цельнолитой конструкции из композита.
- Малый вес по сравнению с металлическими аналогами.
- Продолжительный срок службы: Смолы (материал изготовления рабочего колеса и вала) после отверждения, в отличии от термопластичных материалов таких как полипропилен и фторопласт, не подвержены повторному расплавлению, что является гарантией отличной механической прочности, термо- и формоустойчивости.
Подробную техническую и графическую информацию см. в паспорте на данную емкость.
Особенности установки
Лопастные мешалки необходимо устанавливать по центру емкости для обеспечения равномерного перемешивания раствора. Мешалки весом до 25 кг устанавливаются непосредственно на саму емкость с применением суппорта, либо на крышку емкости (если горловина расположена по центру).
Для лопастных мешалок возможны дополнительные опции:
- Установка частотного преобразователя - для регулировки скорости перемешивания;
- Установка более мощного двигателя - при плотности жидкости более 1,3 г/м3 и/или вязкости жидкой фазы более 0,05 Ра/сек.
Сертификаты
Доставка и самовывоз
В пределах зеленой зоны:
-
светильники бесплатно от 3 000 руб.
-
малогабаритные грузы - 250 руб.
-
крупногабаритные грузы и грузы весом более 10 кг., до подъезда - 400 руб.
В Ленинградскую область - стоимость в пределах зеленой зоны. + 30 руб./км.
Службой СДЭК:
В пункт выдачи или курьером до двери.
Стоимость и срок указаны на странице товара и в корзине. Система рассчитает их автоматически. Срок получения указывается примерный, уточняйте у менеджера.
Самовывоз:
Из нашего пункта выдачи у метро Ладожская или в ПВЗ СДЭК.
-
Курьерской службой СДЭК: в пункт выдачи или курьером до двери.
-
Стоимость и срок указаны на странице товара и в корзине. Система рассчитает их автоматически. Срок получения указывается примерный, уточняйте у менеджера.
-
Минимальная сумма - 2000 руб.
-
Бесплатно для светильников на сумму от 10 000 руб.
Отслеживание посылки по трек-номеру. Проверка на повреждения при получении. Посылки страхуются на полную сумму.
Вопросы и ответы
Оплатить по факту получения можно только в городе Санкт-Петербурге. Для отправки в другие регионы России необходимо полностью оплатить покупку.
При этом, если доставленный товар был ненадлежащего качества, вы вправе от него отказаться.
В Санкт-Петербурге вы можете забрать покупку в нашем пункте выдачи у метро Ладожская.
Стоимость и срок указаны на странице товара и в корзине. Система рассчитает все автоматически. Срок получения указывается примерный.
После оформления заказа, с Вами свяжется наш менеджер, для уточнения деталей.
Способы оплаты
При оформлении заказа выберите оплату по счету или запросите его у менеджера после оформления. После подтверждения заказа оплатите счет в интернет-банке или в отделении банка в течение трех рабочих дней. Выставляем счета c НДС.



