Для воды емкость hr 8000 л синяя
Емкость HR 8000л - самая крупногабаритная горизонтальная бочка "ЭкоПром".
Емкость предназначена для транспортировки и хранения веществ плотностью до 1,0 г/см³ включительно:
- различные жидкости: питьевая и техническая вода, спиртосодержащие продукты, дезинфицирующие растворы, моющие средства
- различные пищевые продукты
- сыпучие, порошкообразные, гранулированные, вязкие и пастообразные продукты
- агрессивные вещества: удобрения, лаки и краски, машинное масло, дизельное топливо и т. д.
Конструкция емкости HR 8000 дополнительно усилена ребрами жесткости.
Бочка имеет специальные "серьги" для перемещения краном для удобства проведения погрузочно-разгрузочных работ.
Преимущества емкостей серии HR :
Многофункциональные
Материал емкостей химически нейтрален и стоек, что гарантирует безопасность эксплуатации с различными веществами, в том числе, с агрессивной химией
Прочные
Производятся методом ротационного формования, который обеспечивает изделие прочным цельнолитым корпусом без швов. Конструкция емкости дополнительно усилена ребрами жесткости
Технологичные
Емкость имеет специальные «серьги» для перемещения краном, которые обеспечивают удобство погрузочно-разгрузочных работ
Устойчивые
Горизонтальные емкости отличаются максимальной устойчивостью благодаря конфигурации с ножками
Герметичные
Бесшовный цельнолитой корпус емкости обеспечивает абсолютную герметичность и сохранность находящихся в ней грузов
Удобные
Имеют увеличенный диаметр заливной горловины для удобства эксплуатации и обслуживания. Оборудованы специальными площадками для установки дополнительного оборудования
Всесезонные
Могут эксплуатироваться при температуре от -30°С до +60°С круглый год как в помещении, так и открыто на улице. Не требуют специального ухода
Долговечные
Производятся из первичного пищевого полиэтилена, не подверженного действию коррозии и ультрафиолета. Гарантия длительного срока службы и сохранения эксплуатационных характеристик до 50 лет
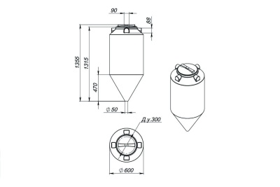
Размерный ряд емкостей серии HR
Характеристики
|
Страна
|
Россия |
|
Объем, л
|
8000 |
|
Цвет
|
Синий, Черный, Зеленый |
|
Форма ёмкости
|
Цилиндрическая |
|
Расположение
|
Горизонтальное |
|
Защитная мембрана
|
есть |
|
Цветовой вариант
|
Синий |
|
Тип крышки
|
Резьбовая |
|
Тип эксплуатации
|
Наземная эксплуатация |
|
Размеры, мм
|
3000х1900х1980 |
|
Ширина, мм
|
1900 |
|
Серия
|
Серия H/HR |
|
Высота, мм
|
1980 |
|
Длина, мм
|
3000 |
|
Вес, кг
|
200 |
|
Диаметр горловины
|
400 |
Описание
Емкость HR 8000л - самая крупногабаритная горизонтальная бочка "ЭкоПром".
Емкость предназначена для транспортировки и хранения веществ плотностью до 1,0 г/см³ включительно:
- различные жидкости: питьевая и техническая вода, спиртосодержащие продукты, дезинфицирующие растворы, моющие средства
- различные пищевые продукты
- сыпучие, порошкообразные, гранулированные, вязкие и пастообразные продукты
- агрессивные вещества: удобрения, лаки и краски, машинное масло, дизельное топливо и т. д.
Конструкция емкости HR 8000 дополнительно усилена ребрами жесткости.
Бочка имеет специальные "серьги" для перемещения краном для удобства проведения погрузочно-разгрузочных работ.
Преимущества емкостей серии HR :
Многофункциональные
Материал емкостей химически нейтрален и стоек, что гарантирует безопасность эксплуатации с различными веществами, в том числе, с агрессивной химией
Прочные
Производятся методом ротационного формования, который обеспечивает изделие прочным цельнолитым корпусом без швов. Конструкция емкости дополнительно усилена ребрами жесткости
Технологичные
Емкость имеет специальные «серьги» для перемещения краном, которые обеспечивают удобство погрузочно-разгрузочных работ
Устойчивые
Горизонтальные емкости отличаются максимальной устойчивостью благодаря конфигурации с ножками
Герметичные
Бесшовный цельнолитой корпус емкости обеспечивает абсолютную герметичность и сохранность находящихся в ней грузов
Удобные
Имеют увеличенный диаметр заливной горловины для удобства эксплуатации и обслуживания. Оборудованы специальными площадками для установки дополнительного оборудования
Всесезонные
Могут эксплуатироваться при температуре от -30°С до +60°С круглый год как в помещении, так и открыто на улице. Не требуют специального ухода
Долговечные
Производятся из первичного пищевого полиэтилена, не подверженного действию коррозии и ультрафиолета. Гарантия длительного срока службы и сохранения эксплуатационных характеристик до 50 лет
Размерный ряд емкостей серии HR
Сертификаты
Доставка и самовывоз
В пределах зеленой зоны:
-
светильники бесплатно от 3 000 руб.
-
малогабаритные грузы - 250 руб.
-
крупногабаритные грузы и грузы весом более 10 кг., до подъезда - 400 руб.
В Ленинградскую область - стоимость в пределах зеленой зоны. + 30 руб./км.
Службой СДЭК:
В пункт выдачи или курьером до двери.
Стоимость и срок указаны на странице товара и в корзине. Система рассчитает их автоматически. Срок получения указывается примерный, уточняйте у менеджера.
Самовывоз:
Из нашего пункта выдачи у метро Ладожская или в ПВЗ СДЭК.
-
Курьерской службой СДЭК: в пункт выдачи или курьером до двери.
-
Стоимость и срок указаны на странице товара и в корзине. Система рассчитает их автоматически. Срок получения указывается примерный, уточняйте у менеджера.
-
Минимальная сумма - 2000 руб.
-
Бесплатно для светильников на сумму от 10 000 руб.
Отслеживание посылки по трек-номеру. Проверка на повреждения при получении. Посылки страхуются на полную сумму.
Вопросы и ответы
Оплатить по факту получения можно только в городе Санкт-Петербурге. Для отправки в другие регионы России необходимо полностью оплатить покупку.
При этом, если доставленный товар был ненадлежащего качества, вы вправе от него отказаться.
В Санкт-Петербурге вы можете забрать покупку в нашем пункте выдачи у метро Ладожская.
Стоимость и срок указаны на странице товара и в корзине. Система рассчитает все автоматически. Срок получения указывается примерный.
После оформления заказа, с Вами свяжется наш менеджер, для уточнения деталей.
Способы оплаты
При оформлении заказа выберите оплату по счету или запросите его у менеджера после оформления. После подтверждения заказа оплатите счет в интернет-банке или в отделении банка в течение трех рабочих дней. Выставляем счета c НДС.




