Емкость ФМ 3000 белый в обрешетке c пропеллерной мешалкой (2350х2100)
Мешалка специально подобрана для емкости ФМ 3000 литров с учетом габаритов и конструктивных особенностей емкости. Емкость ФМ 3000 литров поставляется с уже установленной мешалкой. Вам не нужно ломать голову над установкой мешалки. Мы обо всем позаботились!
Все части мешалки, имеющие контакт с жидкостью, изготовлены из коррозийно стойкого материала - композита, что в том числе обеспечивает повышенную стойкость к абразиву. Мешалки из композитного материала устойчивы к химически агрессивными жидкостям. Обязательно проверьте таблицу химической стойкости мешалок!
Емкости с пропеллерными мешалками используются в химической промышленности, водоподготовке и водоочистке для поддержания постоянной концентрации известкового молока, быстрого растворения соли, приготовления электролитов и химических реагентов. Данный тип мешалок - быстроходный.
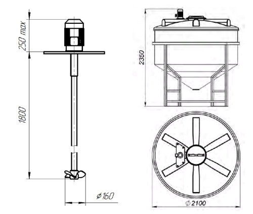
| Мощность двигателя, кВт | Частота вращения вала, об/мин | Длина вала, мм | Диаметр лопасти, мм | Вес, кг |
|---|---|---|---|---|
| 1,1 | 1400 | 1200 | 160 | 14,2 |
Мешалки предназначены для перемешивания жидкости с максимальной плотностью 1,3 г/см, динамической вязкостью жидкой фазы ‐ 0,05 Ра/сек.
Технические преимущества быстроходных пропеллерных мешалок:
- Эффективное перемешивание или растворение: в емкости создается круговое движение жидкости, поднимающее твердые частицы со дна емкости.
- Коррозийная, химическая и абразивная стойкость: вал и рабочее колесо мешалки изготовлено из композитного материала - химически стойкого пластика.
Подробную техническую и графическую информацию см. в паспорте на данную емкость с мешалкой.
Особенности установки пропеллерных мешалок
Турбинные мешалки необходимо устанавливать на емкость в соотношении 1/3 к 2/3 относительно диаметра для обеспечения равномерного перемешивания раствора.
Мешалки весом до 25 кг устанавливаются непосредственно на крышку или ребра емкости. Крышка также выполнена из композитного материала.
Турбинные мешалки весом более 25кг необходимо устанавливать на металлическую опору, чтобы исключить нагрузку на емкость. Металлическая конструкция изготавливается индивидуально под каждую емкость. Чертежи согласовываются с заказчиком после внесения предоплаты за поставку.
Для пропеллерных мешалок возможны дополнительные опции:
Установка более мощного двигателя - при плотности жидкости более 1,3 г/м3 и/или вязкости жидкой фазы более 0,05 Ра/сек.
Сферы применения емкостей с мешалками:
- в химической промышленности для приготовления и поддержания консистенции различных агрессивных растворов;
- в водоподготовке и водоочистке для приготовления растворов коагулянтов и флокулянтов;
- при обработке питьевой воды для стерилизации, фильтрации, контроля запаха и привкуса;
- в системах водоснабжения и канализации для приготовления рабочих растворов и реагентов с целью обработки сточных вод;
- в составе реагентных блоков периодического действия для приготовления и дозирования растворов реагентов на очистных сооружениях предприятий пищевой промышленности, нефтеперерабатывающей отрасли и прочих производственных стоков;
- при производстве цемента: мешалки устанавливают на бетоносмесительном узле для приготовления гомогенной смеси и ее добавки в бетон;
- на предприятиях по выращиванию и разведению красной рыбы - атлантического лосося и радужной форели - для растворения соли;
- при производстве бумаги для приготовления диоксида титана с целью контроля матовости тонкой бумаги, приготовления каолиновой смеси.
Характеристики
|
Страна
|
Россия |
|
Объем, л
|
3000 |
|
Форма ёмкости
|
Конусообразная |
|
Расположение
|
Вертикальное |
|
Слив
|
Полный |
|
Тип эксплуатации
|
Наземная эксплуатация, В обрешетке, С мешалкой |
|
Размеры, мм
|
2100х2100х2350 |
|
Ширина, мм
|
2100 |
|
Высота, мм
|
2350 |
|
Длина, мм
|
2100 |
|
Вес, кг
|
237.2 |
Описание
Мешалка специально подобрана для емкости ФМ 3000 литров с учетом габаритов и конструктивных особенностей емкости. Емкость ФМ 3000 литров поставляется с уже установленной мешалкой. Вам не нужно ломать голову над установкой мешалки. Мы обо всем позаботились!
Все части мешалки, имеющие контакт с жидкостью, изготовлены из коррозийно стойкого материала - композита, что в том числе обеспечивает повышенную стойкость к абразиву. Мешалки из композитного материала устойчивы к химически агрессивными жидкостям. Обязательно проверьте таблицу химической стойкости мешалок!
Емкости с пропеллерными мешалками используются в химической промышленности, водоподготовке и водоочистке для поддержания постоянной концентрации известкового молока, быстрого растворения соли, приготовления электролитов и химических реагентов. Данный тип мешалок - быстроходный.
| Мощность двигателя, кВт | Частота вращения вала, об/мин | Длина вала, мм | Диаметр лопасти, мм | Вес, кг |
|---|---|---|---|---|
| 1,1 | 1400 | 1200 | 160 | 14,2 |
Мешалки предназначены для перемешивания жидкости с максимальной плотностью 1,3 г/см, динамической вязкостью жидкой фазы ‐ 0,05 Ра/сек.
Технические преимущества быстроходных пропеллерных мешалок:
- Эффективное перемешивание или растворение: в емкости создается круговое движение жидкости, поднимающее твердые частицы со дна емкости.
- Коррозийная, химическая и абразивная стойкость: вал и рабочее колесо мешалки изготовлено из композитного материала - химически стойкого пластика.
Подробную техническую и графическую информацию см. в паспорте на данную емкость с мешалкой.
Особенности установки пропеллерных мешалок
Турбинные мешалки необходимо устанавливать на емкость в соотношении 1/3 к 2/3 относительно диаметра для обеспечения равномерного перемешивания раствора.
Мешалки весом до 25 кг устанавливаются непосредственно на крышку или ребра емкости. Крышка также выполнена из композитного материала.
Турбинные мешалки весом более 25кг необходимо устанавливать на металлическую опору, чтобы исключить нагрузку на емкость. Металлическая конструкция изготавливается индивидуально под каждую емкость. Чертежи согласовываются с заказчиком после внесения предоплаты за поставку.
Для пропеллерных мешалок возможны дополнительные опции:
Установка более мощного двигателя - при плотности жидкости более 1,3 г/м3 и/или вязкости жидкой фазы более 0,05 Ра/сек.
Сферы применения емкостей с мешалками:
- в химической промышленности для приготовления и поддержания консистенции различных агрессивных растворов;
- в водоподготовке и водоочистке для приготовления растворов коагулянтов и флокулянтов;
- при обработке питьевой воды для стерилизации, фильтрации, контроля запаха и привкуса;
- в системах водоснабжения и канализации для приготовления рабочих растворов и реагентов с целью обработки сточных вод;
- в составе реагентных блоков периодического действия для приготовления и дозирования растворов реагентов на очистных сооружениях предприятий пищевой промышленности, нефтеперерабатывающей отрасли и прочих производственных стоков;
- при производстве цемента: мешалки устанавливают на бетоносмесительном узле для приготовления гомогенной смеси и ее добавки в бетон;
- на предприятиях по выращиванию и разведению красной рыбы - атлантического лосося и радужной форели - для растворения соли;
- при производстве бумаги для приготовления диоксида титана с целью контроля матовости тонкой бумаги, приготовления каолиновой смеси.
Сертификаты
Доставка и самовывоз
В пределах зеленой зоны:
-
светильники бесплатно от 3 000 руб.
-
малогабаритные грузы - 250 руб.
-
крупногабаритные грузы и грузы весом более 10 кг., до подъезда - 400 руб.
В Ленинградскую область - стоимость в пределах зеленой зоны. + 30 руб./км.
Службой СДЭК:
В пункт выдачи или курьером до двери.
Стоимость и срок указаны на странице товара и в корзине. Система рассчитает их автоматически. Срок получения указывается примерный, уточняйте у менеджера.
Самовывоз:
Из нашего пункта выдачи у метро Ладожская или в ПВЗ СДЭК.
-
Курьерской службой СДЭК: в пункт выдачи или курьером до двери.
-
Стоимость и срок указаны на странице товара и в корзине. Система рассчитает их автоматически. Срок получения указывается примерный, уточняйте у менеджера.
-
Минимальная сумма - 2000 руб.
-
Бесплатно для светильников на сумму от 10 000 руб.
Отслеживание посылки по трек-номеру. Проверка на повреждения при получении. Посылки страхуются на полную сумму.
Вопросы и ответы
Оплатить по факту получения можно только в городе Санкт-Петербурге. Для отправки в другие регионы России необходимо полностью оплатить покупку.
При этом, если доставленный товар был ненадлежащего качества, вы вправе от него отказаться.
В Санкт-Петербурге вы можете забрать покупку в нашем пункте выдачи у метро Ладожская.
Стоимость и срок указаны на странице товара и в корзине. Система рассчитает все автоматически. Срок получения указывается примерный.
После оформления заказа, с Вами свяжется наш менеджер, для уточнения деталей.
Способы оплаты
При оформлении заказа выберите оплату по счету или запросите его у менеджера после оформления. После подтверждения заказа оплатите счет в интернет-банке или в отделении банка в течение трех рабочих дней. Выставляем счета c НДС.



