Блок автоматики для насоса водяного Oasis PC-13P без кабеля, электронное реле давления воды с манометром
Характеристики
|
Страна
|
Китай |
|
Гарантия
|
1 год |
|
Качество воды
|
чистая |
|
Тип насоса
|
дренажный |
|
Мощность, Вт
|
1100 |
|
Напряжение, В
|
220 |
|
Материал корпуса
|
ABS пластик |
|
? Максимальное давление в системе
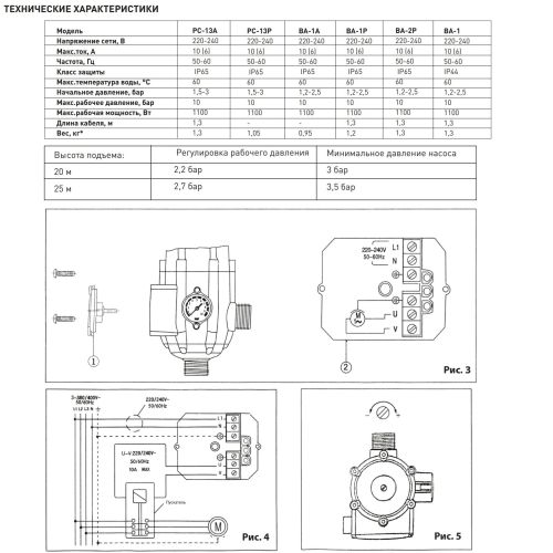
Рабочее давление, бар
|
10 |
Описание
Электронный блок автоматики осуществляет автоматический пуск и остановку насоса при открытии или закрытии крана или клапана водопроводной системы. Блок автоматики поддерживает постоянное давление воды в системе до тех пор, пока не будет открыт любой кран в системе.• Защита от сухого хода и перегрузок
• Работа при пониженном давлении воды
• Автоматический запуск и отключение насоса
Электронный блок автоматики может использоваться как для управления подачей питьевой воды, так и для подачи воды для хозяйственных нужд. В установках, где используются оба типа воды, необходимо убедиться, что питьевая вода не смешивается с хозяйственной.
ОСОБЕННОСТИ КОНСТРУКЦИИ
• Вход: штуцер на 1 дюйм
• Выход: штуцер на 1 дюйм
• Специальный обратный клапан для предотвращения гидроударов.
• Сигнализация, исключающая возможность работы без воды.
• Манометр давления
• Ручной переключатель (RESET)
• Светодиод включения питания (POWER)
• Светодиод включения насоса (ON)
• Аварийный светодиод (FAILURE)
Манометр поставляется в комплекте с уплотнительным кольцом, двумя крепежными винтами и винтовой крышкой. Манометр давления может быть установлен на любой стороне контроллера, на трубке с уплотнительным кольцом в отверстии, на корпусе устройства и закреплен с помощью двух прилагаемых винтов. Кран должен находиться на противоположной стороне от манометра (без уплотнительного кольца или прокладки).
Перед соединением к водопроводу важно правильно установить насос. Контроллер устанавливается только в вертикальном положении, давая возможность соединения впускного отверстия (на 1 дюйм) непосредственно с выходом с насоса и боковым выходом (1дюйм) с водопроводной сетью. Избегайте подсоединения к обратному клапану. Используйте следующие принадлежности: Гибкий шланг с гайками для подключения к водопроводу, с набором креплений от возможного сгибания и появления вибрации. Шаровой клапан, отключающий насос от установки.
Высота столба воды между насосом и самой высокой точкой использования не должна превышать 15 м, а насос должен создавать минимальное давление 2,5 бар. Корректировка начального давления осуществляется винтом на верхней части узла управления. Посмотрите на давление на манометре при запуске насоса и поверните винт в нужную сторону (регулировка давления должна выполняться специалистом. Согласно стандартам начальное давления должно быть на 0,2 бар выше манометрического, а давление насоса на 0,8 бар выше, чем корректируемое. Эта операция корректирует только начальное давление, а не рабочее давление, которое зависит только от производительности насоса. Для упрощения корректировки следует открыть кран установки, что уменьшит внутреннее давление в узле управления.
Сертификаты
Доставка и самовывоз
В пределах зеленой зоны:
-
светильники бесплатно от 3 000 руб.
-
малогабаритные грузы - 250 руб.
-
крупногабаритные грузы и грузы весом более 10 кг., до подъезда - 400 руб.
В Ленинградскую область - стоимость в пределах зеленой зоны. + 30 руб./км.
Службой СДЭК:
В пункт выдачи или курьером до двери.
Стоимость и срок указаны на странице товара и в корзине. Система рассчитает их автоматически. Срок получения указывается примерный, уточняйте у менеджера.
Самовывоз:
Из нашего пункта выдачи у метро Ладожская или в ПВЗ СДЭК.
-
Курьерской службой СДЭК: в пункт выдачи или курьером до двери.
-
Стоимость и срок указаны на странице товара и в корзине. Система рассчитает их автоматически. Срок получения указывается примерный, уточняйте у менеджера.
-
Минимальная сумма - 2000 руб.
-
Бесплатно для светильников на сумму от 10 000 руб.
Отслеживание посылки по трек-номеру. Проверка на повреждения при получении. Посылки страхуются на полную сумму.
Вопросы и ответы
Оплатить по факту получения можно только в городе Санкт-Петербурге. Для отправки в другие регионы России необходимо полностью оплатить покупку.
При этом, если доставленный товар был ненадлежащего качества, вы вправе от него отказаться.
В Санкт-Петербурге вы можете забрать покупку в нашем пункте выдачи у метро Ладожская.
Стоимость и срок указаны на странице товара и в корзине. Система рассчитает все автоматически. Срок получения указывается примерный.
После оформления заказа, с Вами свяжется наш менеджер, для уточнения деталей.
Способы оплаты
При оформлении заказа выберите оплату по счету или запросите его у менеджера после оформления. После подтверждения заказа оплатите счет в интернет-банке или в отделении банка в течение трех рабочих дней. Выставляем счета c НДС.











